Experianced, Value-added and Skilled
MINDSPARK AUTOMATION & SERVICES PVT LTD.
COMMITTED AND RELIABLE PARTNER TO GROW YOUR BUSINESS WITH OUR EXPERT ENGINEERING PRODUCTS & SERVICES THROUGH AUTOMATION AND INNOVATION..
Featured Work
Portfolio
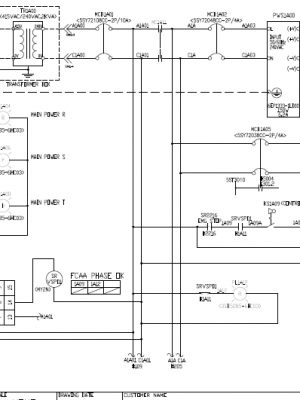
We are Designing, Manufacturing and supplying almost all types of Industrial Control Panels with best maintain Quality and Low cost solution.
Meet Our Leadership
Our forward-looking leadership team is made up of dedicated, focused and experienced executives..

Mr. KIRAN THORAT
CEO & HOD (Project & Inst. Div.)

Mr. HARSHAD THORAT
COO & HOD (Manu. & Ele. Div.)
Would you like to start a project with us?
We looking forward to work with your ideas and projects by our Expert Engineering team for Precise and Quality products. Mindspark team know the Value of Business commitment and Business Trust.

